


快適な乗り心地や洗練されたデザインから
ラグジュアリーカーのなかでも大人気のアルファード、ヴェルファイア。ハイオーナーカーであればなおさら各種パーツにもこだわりがでてきます。そんなこだわりの資料として、ヴェルファイアの配線について掲載します。
高級車であるアルファードとヴェルファイアは、その快適な乗り心地や洗練されたデザインから多くの人々に愛されています。これらの車種はハイオーナーカーとして知られ、所有者は車のパーツにもこだわりを持ちます。特に配線図は、車の電装系統を理解し、カスタマイズや修理を行う際に重要な資料となります。
配線図には、複雑な電装系統が詳細に示されており、車の機能や安全性に関わる重要な情報が記載されています。所有者が自身の車にこだわりを持つ理由の一つとして、配線図が挙げられます。これを参考に、熟練した整備士や愛車を大切にするオーナーが、車のメンテナンスやカスタマイズを行うことができます。
ヴェルファイアの配線図GGH20Wは、アルファードやヴェルファイアなどのラグジュアリーカーにおいて重要な資料であり、所有者が車を理解し、愛車を長く大切にするための一助となります。適切に活用することで、安全性や快適性を向上させることができればと思います。

純正オーディオの取り外しと各センサー入力コードの接続位置
ヴェルファイア平成20年5月〜、20 Vellfire (GGH20W)の純正オーディオの取り外しと各センサー入力コードの接続位置の資料になります。
車輛側の配線コネクターの各色の説明は以下になります。


オーディオ取付け部寸法です。
車輛側の配線コネクターの説明
トヨタプレミアムサウンドシステム(18スピーカー)、パノラミックスーパーライブサウンドシステム(11スピーカー)装着車は パネル一体型の専用オーディオで配線仕様がことなるため取付けできません。
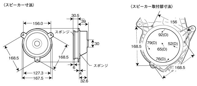
フロントドアスピーカーの取り外し
リアスピーカー取付情報

各種センサーコードの接続
車速センサー入力コードは、純正オーディオ取付部奥にある5Pコネクターより出ている車速信号線(紫)に圧着式コネクターを用いて確実に接続します。
黒の線にパーキングブレーキスイッチ入力コードを接続します。パーキングブレーキスイッチ入力コードは、純正オーディオ取付部奥にある5Pコネクターより出ているパーキングブレーキ信号線(黒)に圧着式コネクターを用いて確実に接続します。
バックセンサー入力コードは、純正オーディオ取付部奥にある5Pコネクターより出ているバックランプ信号線(赤)に圧着式コネクターを用いて確実に接続します。

トヨタ ヴェルファイア 2008年5月(平成20年5月)〜2015年1月(平成27年1月) グレード一覧
「アルファード」/「ヴェルファイア」は、ネッツ店から販売されるヴェルファイアには、2.4L 直列4気筒エンジン「2AZ-FE」が搭載されており、E-Four(電気式4輪駆動)とSuperCVT-iが組み合わせられています。
また、3.5L V6(Dual VVT-i)エンジンには6速SuperECTが採用されています。モデルラインナップには、ベーシックグレード「2.4X」、茶木目を使用した「3.5V/2.4V」、高級な内装と充実した装備が備わった「3.5V Lエディション」、贅沢なシートが特徴の「3.5V プレミアムシートエディション」、エアロパーツや18インチアルミホイールを備えた「3.5Z/2.4Z」、上質なエアロダイナミクスをもつ「3.5Z Gエディション/2.4Z Gエディション」が用意されています。
「3.5Z」以外にも、「サイドリフトアップシート装着車」が設定されています。特別仕様車として、スポーツコンバージョン車「2.4Z Gs(ジーズ)」や「3.5Z Gs(ジーズ)」、ゴールドエクステンションのプロジェクター式ヘッドランプや専用シート表皮が特別装備された「2.4Z ゴールデンアイズII」、「3.5Z ゴールデンアイズII」も。価格については、今回の消費税変更に伴い、改訂されることとなります。